Around 1976 a friend and I became very interested in CB radio. The craze had not long taken off in Australia and it was still illegal to use them at that time. Dick Smith Electronics and later Tandy’s sold CB radios, antennas and accessories. Despite being illegal to use them, that didn’t stop a lot of people. CBs required large antennas which were easily spotted on houses, cars and trucks. I was able to listen to the conversations on my father’s radio/cassette and my friend had a shortwave radio.
A similar Sharp GT-30 with 3 Short Wave bands just managed to cover the 27MHz CB band.

We wrote details of conversations that we heard and tried to work out who the people were. It felt exciting, in a way that it can when you are young. We were only 11 or 12 at the time.
My first CB – The Asahi
After CBs were legalised in 1977, my friend and I both got CB radios for Christmas. We got the same CBs, but had different power supplies and antennas. The CBs were 23 channel Asahi 27MHz AM CBs. They had a nice imitation wood grain front panel and the analogue power meter on the front glowed green while receiving and changed to red when transmitting. They were truly a beautiful sight to behold, or at least they were to us.
This is an advert from the time, but I’m not sure if my parents bought it for that price.

This is a picture of a similar model. It doesn’t have the wood grain trim of mine

These CBs were really designed to be used in a car, so they needed a power supply to be able to run them from 240 volts. I think mine was around $40, a significant amount of money at the time. I had a ¼ wave ground plane antenna. These were fairly large, and so Dad had to install a mast on the side of the house outside my bedroom window to be able to mount it. Once setup we were able to talk to each other easily and quite clearly. When mine was set up on Christmas morning it was time to give it a try. That’s when mike fright set in and I never really felt comfortable talking to strangers.
Guess, which bedroom was mine?

There were other students in our high school that had CBs, and sometimes we heard them on air. A couple had SSB (Single Side Band) CBs. We could only dream about SSB.
I set my CB up in a small cupboard so that the CB was hidden away. It was like a miniature radio shack, next to my bed. We learned all the 10-codes and used them in general conversation. “10-4. What’s your current 10-20?”. Everyone sounded like they were in an American trucking movie. We talked to lots of people. Normally our CBs were only good for about 10kms, although they could be affected by atmospheric conditions, which would create “skip”, a phenomenon where signals bounced off the ionosphere. At times when skip was happening, it became possible to talk to people much further away. It wasn’t consistent—you might get someone 50 km away, but not someone 20 km away. My only truly successful long-distance transmission was to a taxi driver in Tasmania. It was a long way, probably 1500 – 2000km, so possible — but he may have just been pretending he was there.
One of the kids at school told me he had a CB with all its transistors burnt out. He was prepared to sell it to me for $10. I bought it thinking that I might get parts from it – to use for what purpose, I didn’t know. I played around with it and worked out that there was a diode across the power rails. I figured out that it was there in case the polarity of the power leads were accidentally reversed. This would result in the diode shorting the power rails and immediately blowing the fuse, saving the CB. I discovered that this diode had shorted resulting in the fuse blowing when power was connected, even if the power was connected correctly. I simply removed the diode and was excited to find I had working CB.
I think the peak of excitement for me happened one day when both my friend and I were off sick from school. While lying in bed we spent the time talking to each other over CB.
PocketCom Walkie Talkies
Electronics Australia was a local electronics magazine. It had an advert for PocketCom walkie talkies for AUD$59.95. They were really small, particularly for one that was not considered a toy. I thought they would be really cool.

They were advertised as having a range of 3km. That would have been fairly impressive, but range claims were often unrealistic in real world conditions. The claims were usually based on line-of-sight with good conditions. This one would surely be different, because it was for professionals. In today’s money, the cost would be about AUD$410 (US$260), so it surely must have been good, wouldn’t it? At that price there was no way I was getting one.
Not long after that, Dick Smith Electronics had an advert for the same radios. This time for $12.50 each. Something must have happened to the company and DSE had purchased a surplus of them.

Their advert read, “… worth it for the parts alone”. I convinced my mother to buy me a pair. Initially I was very excited, the quality seemed good, but there was a problem I had not considered. You need someone to talk to! I lived in a regional area and there was no one in range. In the real world their range wasn’t that great, at least not enough for what I expected, or was useful to me. Sometimes when a friend came over, we would use them, but not very often. One of them met its demise when another friend and I were using them while riding our bicycles. As they were designed for 27MHz, they had a fairly long telescopic antenna that extended 88cm. As we were riding along, my friend held his with the antenna outstretched horizontally in front of him. He hit a bump, and the antenna snapped. I did a bodgy soldering fix, but never really used them again after that.
AI has generated this photo for me of a boy using a walkie talkie on a bike. It has automatically made it showing the radio being held carefully, like my friend should have; with both hands on the radio and a third on the handlebars. 🙂

I’ve still got the PocketCom radios and the short manual that came with it. Here are a few images of them to close off the post.
The front. It has 2 channels selectable by a switch, however only crystals for one band were included. The call button just made a tone. One the side is a volume and squelch switch.

Side view showing volume and squelch knobs.

A good quality spring clip on the back.

It runs on 2 batteries that were an uncommon size. The only place I found I could buy them was at Tandy Electronics.

Inside everything is very compact. The crystals for channel B are visible. Those for channel A are under black tape behind the antenna

The main part of the board.

Another view of the board.

Specifications from the small manual.

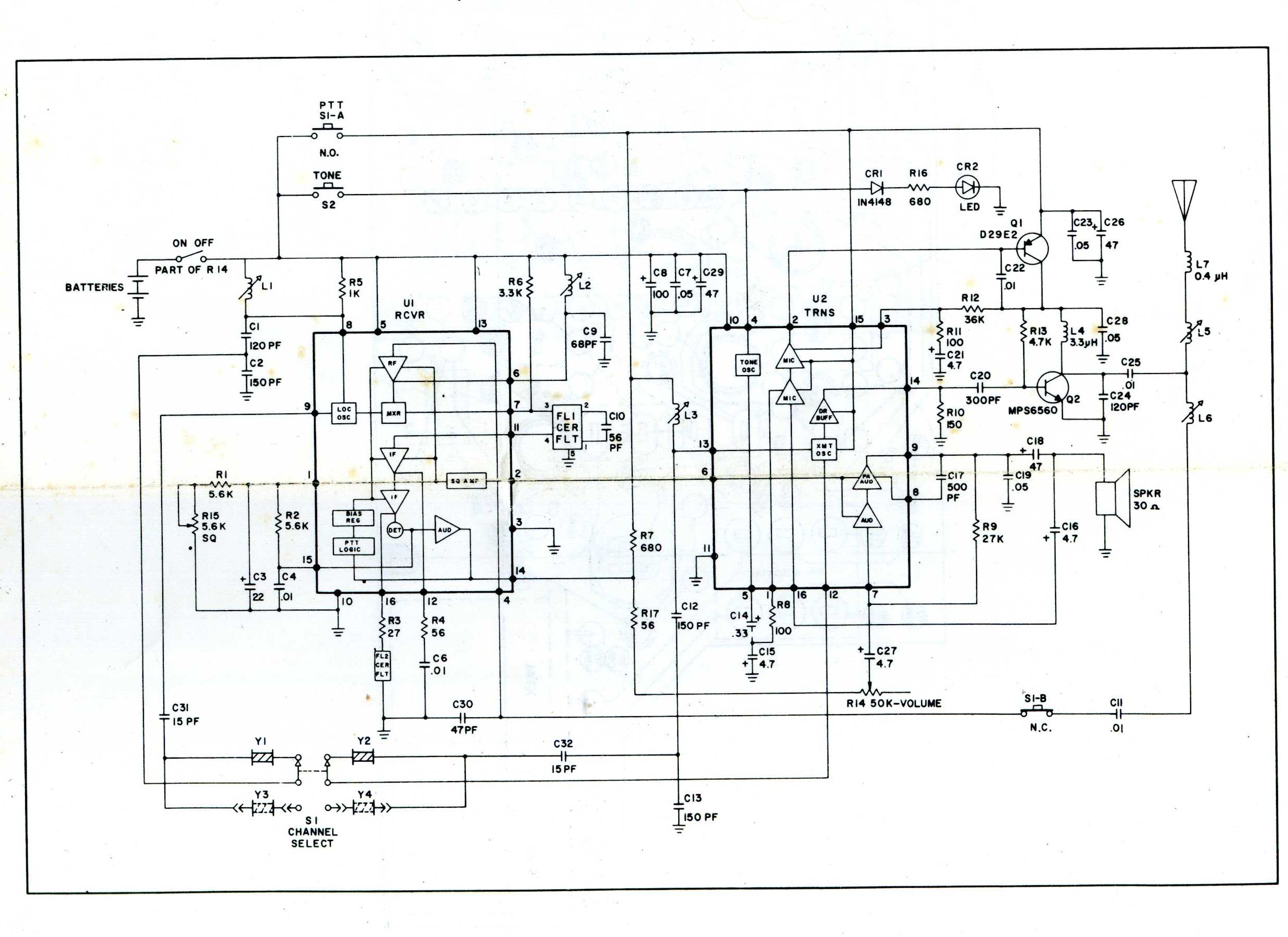
The manual includs the circuit diagram.

It also includes the board layout.

Leave a comment