Skip to content
Search
Search for:
Garry's blog
The things I do
Menu
About
Disclaimer
Open Search
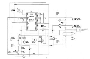
DoorbellChromachime
Leave a comment
Cancel reply
Δ
Website Powered by WordPress.com
.
Up ↑
Comment
Subscribe
Subscribed
Garry's blog
Join 44 other subscribers
Sign me up
Already have a WordPress.com account?
Log in now.
Garry's blog
Customize
Subscribe
Subscribed
Sign up
Log in
Copy shortlink
Report this content
View post in Reader
Manage subscriptions
Collapse this bar
Leave a comment